avatar

Yanbing Dai

Ph.D. Student
University of Maryland
College Park, MD, USA
ybdai@umd.edu


About Me

Welcome to my website. My name is Yanbing Dai (代晏冰).

I’m currently a first-year Ph.D. student in Mechanical Engineering at University of Maryland (UMD), advised by Prof. Vikrant Aute. Before joining UMD, I earned an M.Eng. (2025) and a B.Eng. (2021) in Energy and Power Engineering from Xi’an Jiaotong University, where I worked with Prof. Xiaoqu Han.

My research focuses on developing highly-efficient energy conversion systems and analyzing their energetic, exergetic, economic, and environmental performance. These investigations are vital for resolving today’s global energy crisis and achieving climate change mitigation objectives. I am excited to contribute to this rapidly evolving field.

Research Interests

News

Publications

  1. Energy
    Journal Article
    Xiaoqu Han, Yanbing Dai, Xuanhua Guo, Konstantinos Braimakis, Sotirios Karellas, Junjie Yan
    Energy, 2024.

  2. Energy
    Journal Article
    Minqi Su, Xiaoqu Han, Yanbing Dai, Jinshi Wang, Jiping Liu, Junjie Yan
    Energy, 2023.

  3. J Clean Prod
    Journal Article
    Xiaoqu Han, Tianrun Yuan, Dan Zhang, Yanbing Dai, Jiping Liu, Junjie Yan
    Journal of Cleaner Production, 2021.

  4. J Eng Thermophys
    Journal Article (in Chinese)
    Hexing Wang, Yiran Qian, Yanbing Dai, Xiaoqu Han, Weixiong Chen, Junjie Yan
    Journal of Engineering Thermophysics, 2024.

  5. ICAE 2024
    Conference Paper
    Yanbing Dai, Xiaoqu Han, Xuanhua Guo, Junjie Yan
    16th International Conference on Applied Energy, 2024.

  6. CEBE 2023
    Conference Paper
    Thermodynamic analysis of a novel dual-stage intercooled and recuperative gas turbine-transcritical organic Rankine cycle power generation system
    Yanbing Dai, Xiaoqu Han, Xuanhua Guo, Konstantinos Braimakis, Sotirios Karellas, Junjie Yan
    3rd International Conference for Global Chinese Academia on Energy and Built Environment, 2023.

  7. ETEUB 2024
    Conference Paper (in Chinese)
    Multi-objective optimization and off-design performance analysis of air Brayton cycle configurations (空气布雷顿循环构型多目标优化及变工况性能研究)
    Yanbing Dai, Xiaoqu Han, Yiming Zhang, Yi Yang, Weixiong Chen, Junjie Yan
    The Engineering Thermodynamics and Energy Utilization Branch of the Engineering Thermophysics Society, 2024.

  8. ICAE 2020
    Conference Paper
    Xiaoqu Han, Yanbing Dai, Tianrun Yuan, Dan Zhang, Jiping Liu, Junjie Yan
    12th International Conference on Applied Energy, 2020.

  9. ECOS 2024
    Conference Paper
    Yanxin Li, Yanbing Dai, Xiaoqu Han, Xuanhua Guo, Sotirios Karellas, Junjie Yan
    37th International Conference on Efficiency, Cost, Optimization, Simulation and Environmental Impact of Energy Systems, 2024.

  10. CEBE 2023
    Conference Paper
    Investigation on recirculated regenerative solid desiccant-assisted dehumidification system: Impact of system configurations and desiccant materials
    Minqi Su, Xiaoqu Han, Yanbing Dai, Jinshi Wang, Jiping Liu, Junjie Yan
    3rd International Conference for Global Chinese Academia on Energy and Built Environment, 2023.

  11. ETEUB 2023
    Conference Paper (in Chinese)
    Comparative thermodynamic analysis and optimization design of open brayton cycle configurations (开式布雷顿循环构型对比及优化设计)
    Hexing Wang, Yiran Qian, Yanbing Dai, Xiaoqu Han, Weixiong Chen, Junjie Yan
    The Engineering Thermodynamics and Energy Utilization Branch of the Engineering Thermophysics Society, 2023.

  12. IPPH 2024
    Patent (in Chinese)
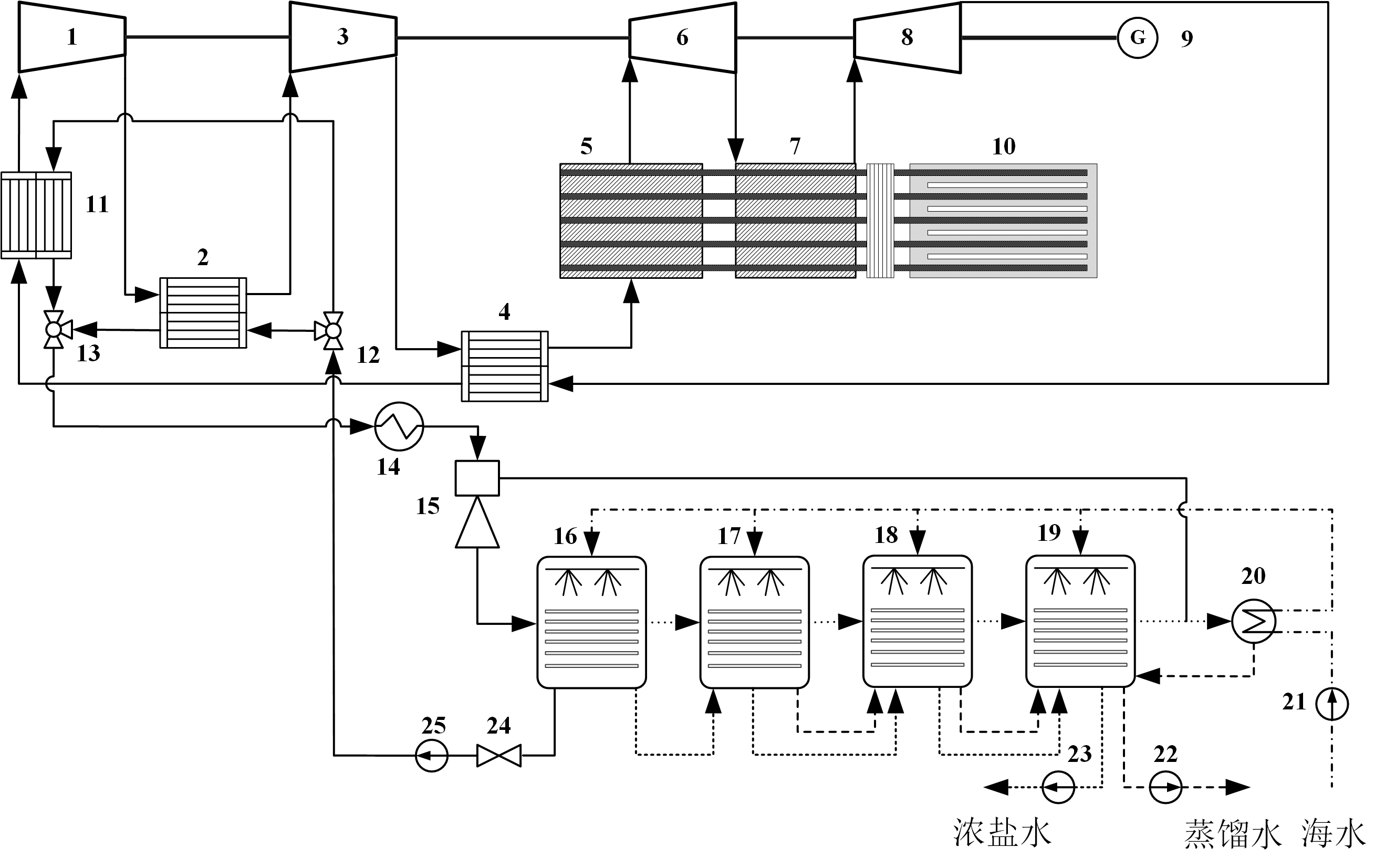
    A closed air Brayton cycle power generation system coupled with seawater desalination (一种耦合海水淡化的闭式空气布雷顿循环发电系统)
    Xiaoqu Han, Yanbing Dai, Yiming Zhang, Yuanyuan Zhou, Weixiong Chen, Jinshi Wang, Jiping Liu, Junjie Yan
    Intellectual Property Publishing House Co.,Ltd. 2024.

  13. IPPH 2024
    Patent (in Chinese)
    A multi-objective optimization and configuration screening method for closed air Brayton cycle (一种闭式空气布雷顿循环多目标优化和构型筛选方法)
    Xiaoqu Han, Hexing Wang, Yiran Qian, Weixiong Chen, Xin Tang, Yanbing Dai, Jiping Liu, Junjie Yan
    Intellectual Property Publishing House Co.,Ltd. 2024.

  14. CCPC 2024
    Software Copyright (in Chinese)
    Closed air Brayton cycle configuration optimization software considering diversified application scenarios (考虑应用场景多元化的闭式空气布雷顿循环构型优化软件)
    Xiaoqu Han, Hexing Wang, Yanbing Dai, Yiran Qian, Weixiong Chen, Junjie Yan
    China Copyright Protection Center. 2024.

Services

Journal Reviewer


Last updated: February 25, 2026